您當前的位置:首頁 > 產品中心 > WP蝸輪蝸桿減速機
上一篇:WPDKS蝸輪蝸桿減速機,空心軸蝸輪蝸桿減速機,自鎖蝸輪蝸桿減速機
下一篇:WPX蝸輪減速機,WPX蝸桿減速機,臥式WPX蝸輪蝸桿減速機
詳細介紹:
WPDA蝸輪蝸桿減速機是東莞臺機減速機有限公司(臺灣天機牌)生產的一款立式蝸輪蝸桿減速機帶法蘭盤,通常與減速馬達或者電機配套使用,所以必須裝置通風裝置,提高散熱工作并保持正常運轉。安裝好后使用時,必須先檢查潤滑油位,并不以馬上把負載提到最高,建議逐步增加,建議在蝸輪蝸桿減速機的周邊安裝保護裝置。WPDA蝸輪蝸桿減速機,立式蝸輪蝸桿減速機帶法蘭盤使用注意事項:在安裝蝸輪蝸桿減速器時必須牢固的安裝在機器上,不能出現松動的現象。在此過程中必須要確認減速機的轉向是否正確,然后方可斷續進行安裝操作。不能放置太久,超過3~6個月時,而油封又沒有浸在潤滑油中的話,建議減速機用戶更換油封。請按照減速機使用守則,標準的工作環境的溫度是-5度到10度,如果超過這個額定數值時,請與廠家聯系。

WPDA蝸輪蝸桿減速機,立式蝸輪蝸桿減速機帶法蘭盤常見問題原因分析:齒輪-蝸輪蝸桿減速機是一種結構緊湊、傳動比大,在一定條件下具有自鎖功能的傳動機械。而且安裝方便、結構合理,得到越來越廣泛的應用。它是在蝸輪蝸桿減速器輸入端加裝一個斜齒輪減速器,構成的多級減速器可獲得非常低的輸出速度,比單級蝸輪減速機具有更高的效率,而且振動小、噪聲及能低
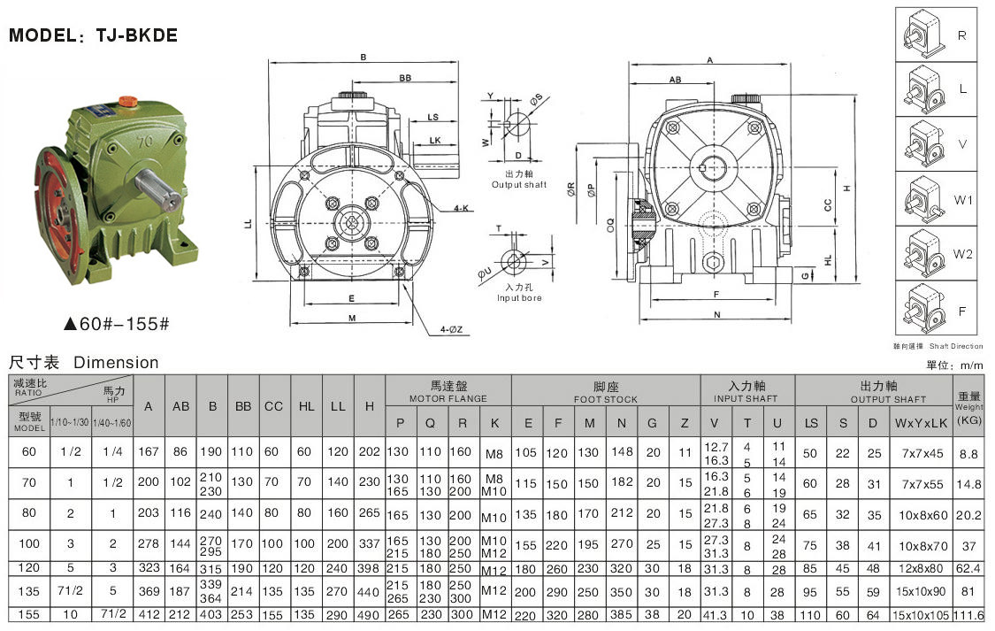
以下是WPDA蝸輪蝸桿減速機,立式蝸輪蝸桿減速機帶法蘭盤型號選型參數圖表
























